201711集成上午真题
第 1 题
以下关于信息的表述,不正确的是: ( )。
- (A) 信息是对客观世界中各种事物的运动状态和变化的反映
- (B) 信息是事物的运动状态和状态变化方式的自我表述
- (C) 信息是事物普遍的联系方式,具有不确定性、不可量化等特点
- (D) 信息是主体对于事物的运动状态以及状态变化方式的具体描述
答案与解析
- 试题难度:一般
- 知识点:信息化与系统集成技术>信息化与电子政务
- 试题答案:[['C']]
- 试题解析:本题考查对信息的理解。根据《系统集成项目管理工程师教程(第2版)》第2页:信息论的奠基者香农认为:信息就是能够用来消除不确定性的东西。而C选项说信息具有不确定性,是错误的。
信息是客观事务状态和运动特征的一种普遍形式;A正确
信息的概念存在两个基本层次,即本体论层次和认识论层次。事物的本体论信息,就是事物的运动状态和状态变化方式的自我表述;B正确
主体关于某个事物的认识论信息,就是主体对于该事物的运动状态以及状态变化方式的具体描述;D正确
第 2 题
信息化建设是我国现代化建设的重要组成部分,信息化的手段是:( )。
- (A) 创建信息时代的社会生产力,推动社会生产关系及社会上层建筑改革
- (B) 使国家的综合实力、社会文明素质和人民的生活质量全面提升
- (C) 基于现代信息技术的先进社会生产工具
- (D) 全体社会成员,包括政府、企业、事业、团体和个人的共同努力
答案与解析
- 试题难度:一般
- 知识点:信息化与系统集成技术>信息化与电子政务
- 试题答案:[['C']]
- 试题解析:本题考查对信息化的理解。参考教程《系统集成项目管理工程师》教程第二版P8
信息化的核心是要通过全体社会成员的共同努力,在经济和社会各个领域充分应用基于现代信息技术的先进社会生产工具(表现为各种信息系统或软硬件产品),创建信息时代社会生产力,并推动生产关系和上层建筑的改革(表现为法律、法规、制度、规范、标准、组织结构等),使国家的综合实力、社会的文明素质和人民的生活质量全面提升。
A是途径,B是目标,D是主体,只有C利用现代信息技术的先进社会生产工具能谈得上“手段”。</div></div>
第 3 题
国家信息化体系要素中,( )是国家信息化的主阵地,集中体现了国家信息化建设的需求和效益。
- (A) 信息技术应用
- (B) 信息网络
- (C) 信息资源
- (D) 信息化人才
答案与解析
- 试题难度:一般
- 知识点:信息化与系统集成技术>国家信息化体系
- 试题答案:[['A']]
- 试题解析:
国家信息化体系包括信息技术应用、信息资源、信息网络、信息技术和产业、信息化人才、信息化法规政策和标准规范6个要素。信息技术应用是指信息技术广泛用于经济和社会各个领域,信息技术应用是信息化体系6要素中的龙头,是国家信息化的主要阵地,集中体现了国家信息化建设的需求和效益。
第 4 题
2017 年 7 月 8 日, 《国务院关于印发新一代人工智能发展规划的通知》中涉及了人工智能的几个基础理论,其中,( )研究统计学习基础理论、不确定性推理与决策、分布式学习与交互、隐私保护学习等学习理论和高效模型。
- (A) 大数据智能理论
- (B) 跨媒体感知计算理论
- (C) 高级机器学习理论
- (D) 群体智能理论
答案与解析
- 试题难度:一般
- 知识点:信息化与系统集成技术>信息化其他
- 试题答案:[[C]]
- 试题解析:这个题目考的是国家政策,在《国务院关于印发新一代人工智能发展规划的通知》里面专栏1,基础理论就提及:6高级机器学习理论。研究统计学习基础理论、不确定性推理与决策、分布式学习与交互、隐私保护学习、小样本学习、深度强化学习、无监督学习、半监督学习、主动学习等学习理论和高效模型。
第 5 题
电子政务的内容非常广泛,我们常见的中国政府采购网属于()。
- (A) G2G
- (B) G2C
- (C) G2E
- (D) G2B
答案与解析
- 试题难度:一般
- 知识点:信息化与系统集成技术>信息化与电子政务
- 试题答案:[['D']]
- 试题解析:本题考查对电子政务的内容。参考《系统集成项目管理工程师教程(第二版)》P29。 电子政务的内容包括4个方面:政府间电子政务G2G,政府对企业的电子政务G2B,政府对公众的电子政务G2C,政府对公务员G2E。题目提到的政府采购网属于G2B,即政府对企业的电子政务。
第 6 题
( )通过互联网进行商品销售、提供服务,是以信息网络技术为手段的商务活动。
- (A) 电子政务
- (B) 电子商务
- (C) 电视购物
- (D) 电话购物
答案与解析
- 试题难度:容易
- 知识点:信息化与系统集成技术>电子商务
- 试题答案:[['B']]
- 试题解析:本题考查对电子商务的理解。参考《系统集成项目管理工程师》教程(第二版)P69
电子商务通常是指在网络环境下,买卖双方不需见面,实现网上(线上)交易、在线支付(或者货到付款)、智能配送以及相关综合服务的一切活动,是完全创新的或者在一定程度上模拟传统商务流程的一种以信息化手段应用为典型特征的商业运营模式。电子商务是以信息网络技术为手段,以商品交换为中心的商务活动;也可理解为在互联网(Internet)、企业内部网(Intranet)和增值网(VAN,Vaue Added Network)上以电子交易方式进行交易活动和相关服务的活动,是传统商业活动各环节的电子化、网络化、信息化。
</div>
第 7 题
《中国制造 2025》提出"推进信息化与工业化深度融合"的重点任务,加快推动新一代信息技术与制造技术融合发展,把( )作为两化深度融合的主攻方向。
- (A) 人工智能
- (B) 智能制造
- (C) 大数据
- (D) 云计算
答案与解析
- 试题难度:一般
- 知识点:信息化与系统集成技术>信息化其他
- 试题答案:[['B']]
- 试题解析:本题考查智能制造。国务院发布实施的中国制造2025明确提出将智能制造作为主攻方向,加速培育新的经济增长动力,抢占新一轮产业竞争制造点。
第 8 题
以下( )不属于商业智能系统应具有的主要功能。
- (A) 数据仓库
- (B) 分析功能
- (C) 数据ETL
- (D) 企业战略决策
答案与解析
- 试题难度:容易
- 知识点:信息化与系统集成技术>商业智能
- 试题答案:[['D']]
- 试题解析:本题考查商业智能的功能。参考《系统集成项目管理工程师》教程(第二版)P78</div>
商业智能应具备的主要功能有:数据仓库,数据ETL,数据统计输出(报表),分析功能。故答案选D
第 9 题
智能挖掘分析是智慧城市建设参考模型( )中的关键技术。
- (A) 智慧应用层
- (B) 计算与存储层
- (C) 数据及服务支撑层
- (D) 网络通信层
答案与解析
- 试题难度:一般
- 知识点:信息化与系统集成技术>智慧城市
- 试题答案:[['C']]
- 试题解析:
智慧城市功能层
1.物联感知层:提供对城市环境的智能感知能力,通过各种信息采集设备、各类传感器、监控摄像机、GPS终端等实现对城市范围内的基础设施、大气环境、交通、公共安全等方面信息采集、识别和监测。
2.通信网络层:广泛互联、以互联网、电信网、广播电视网以及光纤,WIFI、4G、5G、GPS接受基站。
3.计算与存储层:软件资源+计算资源+存储资源
4.数据及服务支撑层:利用SOA(面向服务的体系架构)、云计算、大数据等技术,通过数据和服务的融合,支撑承载智慧应用层中的相关应用,提供应用所需的各种服务和共享数据。 ---智能挖掘分析 属于该层技术
5.智慧应用层:各种基于行业或领域的智慧应用及应用整合,如智慧社区
第 10 题
信息技术服务标准( ITSS)规定了IT服务的组成要素和生命周期,IT服务生命周期由规划设计、部署实施、服务运营、持续改进、( )五个阶段组成。
- (A) 二次规划设计
- (B) 客户满意度调查
- (C) 项目验收
- (D) 监督管理
答案与解析
- 试题难度:一般
- 知识点:信息系统服务管理>IT服务管理
- 试题答案:[['D']]
- 试题解析:本题考查ITSS的生命周期。IT服务生命周期由规划设计(Planning & Design)、 部署实施(Implementing)、服务运营(Operation)、持续改进( Improvement)和监督管理( Supervision)5个阶段组成,简称PIOIS。其中:
规划设计:从客户业务战略出发,以需求为中心,参照ITSS对IT服务进行全面系统的战略规划和设计,为IT服务的部署实施做好准备,以确保提供满足客户需求的IT服务;
部署实施:在规划设计基础上,依据ITSS 建立管理体系、部署专用工具及服务解决方案;
服务运营:根据服务部署情况,依据ITSS, 采用过程方法,全面管理基础设施、服务流程、人员和业务连续性,实现业务运营与IT服务运营融合;
持续改进:根据服务运营的实际情况,定期评审IT服务满足业务运营的情况,以及IT服务本身存在的缺陷,提出改进策略和方案,并对IT服务进行重新规划设计和部署实施,以提高IT服务质量;
监督管理:本阶段主要依据ITSS对IT服务服务质量进行评价,并对服务供方的服务过程、交付结果实施监督和绩效评估。
第 11 题
( )不属于信息系统审计的主要内容。
- (A) 信息化战略
- (B) 资产的保护
- (C) 灾难恢复与业务持续计划
- (D) 信息系统的管理、规划与组织
答案与解析
- 试题难度:一般
- 知识点:信息系统服务管理>信息系统服务管理其他
- 试题答案:[['A']]
- 试题解析:
本题考查信息系统审计内容。
一个信息系统不等同于一台计算机。 今天的信息系统是复杂的,由多个部分组成以做出商业解决方案。只有各个组成部分通过了评估,判定安全,才能保证整个信息系统的正常工作。对一个信息系统审计的主要组成部分包括以下6个方面。
(1)信息系统的管理、规划与组织:评价信息系统的管理、计划与组织方面的策略、政策、标准、程序和相关实务。
(2)信息系统技术基础设施与操作实务:评价组织在技术与操作基础设施的管理和实施方面的有效性及效率,以确保其充分支持组织的商业目标。
(3)资产的保护:对逻辑、环境与信息技术基础设施的安全性进行评价,确保其能支持组织保护信息资产的需要,防止信息资产在未经授权的情况下被使用、披露、修改、损坏或丢失。
(4)灾难恢复与业务持续计划:这些计划是在发生灾难时,能够使组织持续进行业务,对这种计划的建立和维护流程需要进行评价。
(5)应用系统开发、获得、实施与维护:对应用系统的开发、获得、实施与维护方面所采用的方法和流程进行评价,以确保其满足组织的业务目标。
(6)业务流程评价与风险管理:评估业务系统与处理流程,确保根据组织的业务目标对相应风险实施管理。
第 12 题
某公司准备将运行在本地局域网上的CRM系统迁移到集团云平台上并做适当的功能扩展,从信息系统生命周期的角度看,该CRM系统处于( )阶段。
- (A) 立项
- (B) 开发
- (C) 运维
- (D) 消亡
答案与解析
- 试题难度:一般
- 知识点:信息系统开发基础>信息系统生命周期
- 试题答案:[['C']]
- 试题解析:本题考查信息系统的生命周期,信息系统的生命周期可以分为立项、开发、运维及消亡四个阶段。CRM 只做平台迁移及适当功能扩展,属于运维。
(1)立项阶段:即概念阶段或需求阶段,这一阶段根据用户业务发展和经营管理的需要,提出建设信息系统的初步构想;然后对企业信息系统的需求进行深入调研和分析,形成《需求规格说明书》并确定立项。
(2)开发阶段:以立项阶段所做的需求分析为基础,进行总体规划。之后,通过系统分析、系统设计、系统实施、系统验收等工作实现并交付系统。
(3)运维阶段:信息系统通过验收,正式移交给用户以后,进入运维阶段。要保障系统正常运行,系统维护是一项必要的工作。系统的运行维护可分为更正性维护、适应性维护、完善性维护、预防性维护等类型。
(4)消亡阶段:信息系统不可避免地会遇到系统更新改造、功能扩展,甚至废弃重建等情况。对此,在信息系统建设的初期就应该注意系统消亡条件和时机,以及由此而花费的成本。
第 13 题
信息系统设计是开发阶段的重要内容,主要任务包括( ) ①明确组织对信息系统的实际需求,制定系统架构 ②对系统进行经济、技术条件、运行环境和用户使用等方面的可行性研究 ③选择计算机、操作系统、数据库、网络及技术等方案 ④确定软件系统的模块结构。
- (A) ②③④
- (B) ①②③
- (C) ①②④
- (D) ①③④
答案与解析
- 试题难度:一般
- 知识点:信息系统开发基础>架构设计
- 试题答案:[['D']]
- 试题解析:
本题考查信息系统设计的主要任务,参考《系统集成项目管理工程师教程(第2版)》P134。
信息系统设计是开发阶段的重要内容,其主要任务是从信息系统的总体目标出发,根据系统逻辑功能的要求,并结合经济、技术条件、运行环境和进度等要求,确定系统的总体架构和系统各组成部分的技术方案,合理选择计算机、通信及存储的软、硬件设备,制定系统的实施计划。系统方案设计包括总体设计和各部分的详细设计两个方面。
所以本题的②不属于系统设计的主要任务。
第 14 题
需求分析是软件生存周期中的重要工作,以下描述不正确的是:( )。
- (A) 软件需求是针对待解决问题的特性的描述
- (B) 绝大部分软件需求可以被验证,验证手段包括评审和测试
- (C) 需求分析可以检测和解决需求之间的冲突
- (D) 在资源有限时,可以通过优先级对需求进行权衡
答案与解析
- 试题难度:一般
- 知识点:信息系统开发基础>需求工程
- 试题答案:[[B]]
- 试题解析:根据《系统集成项目管理工程师教程(第2版)》第135页,软件需求是针对待解决问题的特性的描述。所定义的需求必须可以被验证。在资源有限时,可以通过优先级对需求进行权衡。通过需求分析,可以检测和解决需求之间的冲突;发现系统的边界;并详细描述出系统需求。这里唯一没有提及的就是B“绝大部分软件需求可以被验证,验证手段包括评审和测试”。
第 15 题
封装、继承和多态是面向对象编程的三大特征,在java 开发过程中有着广泛应用。以下关于它们的描述不正确的是: ( )。
- (A) 封装是将数据和基于数据的操作封装成一个整体对象,通过接口实现对数据的访问和修改
- (B) 继承关系中共有的类属性特征均需在父类和子类中进行说明
- (C) 多态使得一个类实例的相同方法在不同情形有不同表现形式
- (D) 多态机制使具有不同内部结构的对象可以共享相同的外部接口
答案与解析
- 试题难度:一般
- 知识点:信息系统开发基础>面向对象基本概念
- 试题答案:[[B]]
- 试题解析:根据《系统集成项目管理工程师教程(第2版)》第138页,继承表示类之间的层次关系(父类与子类),这种关系使得某类对象可以集成另外一类对象的特征。 所以继承关系中共有类属性只要在父类中进行说明即可,子类不需要了。
第 16 题
某央企的ERP系统已经稳定运行了3年,为了适应新业务发展的需要,运维团队近期接到数据库系统升级的任务,它属于信息系统( )类型的工作。
- (A) 更正性维护
- (B) 适应性维护
- (C) 完善性维护
- (D) 预防性维护
答案与解析
- 试题难度:一般
- 知识点:信息系统开发基础>软件运行与维护
- 试题答案:[['B']]
- 试题解析:
本题考查软件维护的四种类型:更正性维护(纠错性维护)、适应性维护、完善性维护、预防性维护。针对以上几种类型的维护,可以采取一些维护策略,以控制维护成本。
更正性维护
更正性维护是指改正在系统开发阶段已发生而系统测试阶段尚未发现的错误。这方面的维护工作量要占整个维护工作量的17%~21%。所发现的错误有的不太重要,不影响系统的正常运行,其维护工作可随时进行:而有的错误非常重要,甚至影响整个系统的正常运行,其维护工作必须制定计划,进行修改,并且要进行复查和控制。
适应性维护
适应性维护是指使用软件适应信息技术变化和管理需求变化而进行的修改。这方面的维护工作量占整个维护工作量的18%~25%。由于计算机硬件价格的不断下降,各类系统软件屡出不穷,人们常常为改善系统硬件环境和运行环境而产生系统更新换代的需求;企业的外部市场环境和管理需求的不断变化也使得各级管理人员不断提出新的信息需求。这些因素都将导致适应性维护工作的产生。进行这方面的维护工作也要像系统开发一样,有计划、有步骤地进行。
完善性维护
完善性维护是为扩充功能和改善性能而进行的修改,主要是指对已有的软件系统增加一些在系统分析和设计阶段中没有规定的功能与性能特征。这些功能对完善系统功能是非常必要的。另外,还包括对处理效率和编写程序的改进,这方面的维护占整个维护工作的50%~60%,比重较大.也是关系到系统开发质量的重要方面。这方面的维护除了要有计划、有步骤地完成外.还要注意将相关的文档资料加入到前面相应的文档中去。
预防性维护
预防性维护为了改进应用软件的可靠性和可维护性,为了适应未来的软硬件环境的变化,应主动增加预防性的新的功能,以使应用系统适应各类变化而不被淘汰。例如将专用报表功能改成通用报表生成功能,以适应将来报表格式的变化。这方面的维护工作量占整个维护工作量的4%左右。
题干中稳定运行的应用系统进行升级属于运行环境的变化,符合适应性维护的定义。
第 17 题
( )是一种软件技术,在数据仓库中有广泛的应用,通过访问大量的数据实现数据处理分析要求,实现方式是从数据仓库中抽取详细数据的一个子集并经过必要的聚集存储到该服务器中供前端分析工具读取。
- (A) 联机分析处理 (OLAP)
- (B) 联机事务处理 (OLTP)
- (C) 数据采集工具 (ETL)
- (D) 商业智能分析(BI)
答案与解析
- 试题难度:一般
- 知识点:信息化与系统集成技术>商业智能
- 试题答案:[['A']]
- 试题解析:
本题考查商业智能的软件工具,参考教程《系统集成项目管理工程师》(第二版)P82
OLAP的概念最早是由关系数据库之父E.F.Codd于1993年提出的,他同时提出了关于OLAP的12条准则。OLAP的提出引起了很大的反响, OLAP是数据仓库系统的一个 主要应用,支持复杂的分析操作,侧重决策支持,并且提供直观易懂的查询结果。OLAP提供多维数据管理环境,其典型的应用是对商业问题的建模与商业数据分析。OLAP也被称为多维分析。
OLAP的目标是满足决策支持或者满足在多维环境下特定的查询和报表需求,它的技术核心是“维”这个概念。OLAP工具是针对特定问题的联机数据访问与分析。它通过多维的方式对数据进行分析、查询和报表。“维”是人们观察数据的特定角度。通过把一个实体的多项重要的属性定义为多个维( dimension),使用户能对不同维上的数据进行比较。
B选项,OLTP 属于传统的关系型数据库的一个主要应用,主要用于基本的、日常的事务处理,例如银行交易 。
C选项,数据ETL是商业智能的主要功能,数据ETL支持多平台、多数据存储格式(多数据源、多格式数据文件、多维数据库等)的数据组织,要求能自动地根据描述或者规则进行数据查找和理解。减少海量、复杂数据与全局决策数据之间的差距。帮助形成支撑决策要求的参考内容。
D选项,BI商业智能(Business Intelligence, BI) 通常被理解为将组织中现有的数据转化为知识,帮助组织做出明智的业务经营决策。
第 18 题
在OSI七层协议中,( )充当了翻译官的角色,确保一个数据对象能在网络中的计算机间以双方协商的格式进行准确的数据转换和加解密。
- (A) 应用层
- (B) 网络层
- (C) 表示层
- (D) 会话层
答案与解析
- 试题难度:一般
- 知识点:计算机网络基础>开放系统互连参考模型
- 试题答案:[['C']]
- 试题解析:
应用层负贡对软件提供接口以使程序能使用网络服务:网络层主要功能是将网络地址(IP) 翻译成对应的物理地址( 如MAC地址);表示层如同应用程序和网络之间的翻译官,管理数据的加密解密、数据转换、格式化和文本压缩。常见的协议包括JPEG、ASCII、GIF、DES、MPEG等,会话层负责在网络中的两节点之间建立和维持通信,以及提供交互会话的管理功能。
第 19 题
在下列传输介质中,( )的传输速率最高。
- (A) 双绞线
- (B) 同轴电缆
- (C) 光纤
- (D) 无线介质
答案与解析
- 试题难度:容易
- 知识点:计算机网络基础>网络规划与设计
- 试题答案:[[C]]
- 试题解析:同轴电缆和光缆最大区别就在于传输速度,光缆比同轴电缆快很多,当然光缆是目前传输速度最快的一种介质。原因就是物理特性了。
第 20 题
某公司承接了某政府机关的办公网络改造项目,在进行网络总体设计时考虑使用汇聚交换机,从技术层面考虑,最直接的原因是:( )。
- (A) 办公楼内的信息点较多,使用3台交换机采用级联方式扩充端口
- (B) 两栋办公楼距离较远,使用了百兆光纤电缆
- (C) 网络用户数量超过1000人
- (D) 本项目采用了星型网络拓扑结构
答案与解析
- 试题难度:一般
- 知识点:计算机网络基础>网络规划与设计
- 试题答案:[[A]]
- 试题解析:汇聚层,是多台接入层交换机的汇聚点,它必须能够处理来自接入层设备的所有通信量,并提供到核心层的上行链路,因此汇聚层交换机与接入层交换机比较,需要更高的性能,更少的接口和更高的交换速率。
第 21 题
关于WLAN描述不正确的是:( )。
- (A) 802.11n是IEEE制定的一个无线局域网标准协议
- (B) 无线网络与有线网络的用途类似,最大的不同在于传输媒介的不同
- (C) 无线网络技术中不包括为近距离无线连接进行优化的红外线技术
- (D) 现在主流应用的是第四代无线通信技术
答案与解析
- 试题难度:一般
- 知识点:计算机网络基础>无线网络技术
- 试题答案:[['C']]
- 试题解析:
IEEE802规范定义了网卡访问传输介质和在传输介质上传输数据的方法,还定义了传输信息的网络设备之间连接建立、维护和拆除的途径。规范包括802.11 (无线局城网WLAN标准协议), 802.11n 是在802.11g和802.11a之上发展起来的项技术: B, C,D出自指定教材的PI55:与有线网络的用途十分类似,最大的不同在于传输媒介的不同。无线网络是指以无线电波作为信息传输媒介,既包括允许用户建立远距离无线连接的全球语音和数据网络,也包括为近距离无线连接进行优化的红外线技术及射频技术。在无线通信领域,通常叫第几代通信技术,现在主流应用的是第四代无线通信技术。
第 22 题
《中华人民共和国网络安全法》于2017年6月1日起开始施行,( )负责统筹协调网络安全工作和相关监督管理工作。
- (A) 国务院电信主管部门
- (B) 工业和信息化部主管部门
- (C) 公安部门
- (D) 国家网信部门
答案与解析
- 试题难度:一般
- 知识点:信息系统安全管理>网络安全
- 试题答案:[[D]]
- 试题解析:根据《中华人民共和国网络安全法》第八条 国家网信部门负责统筹协调网络安全工作和相关监督管理工作。
第 23 题
在将数据源经过分析挖掘到最终获得价值的大数据处理过程中, MapReduce 是在 ( )阶段应用分布式并行处理关键技术的常用工具。
- (A) 数据采集
- (B) 数据管理
- (C) 数据存储
- (D) 数据分析与挖掘
答案与解析
- 试题难度:较难
- 知识点:信息化与系统集成技术>大数据
- 试题答案:[['B']]
- 试题解析:根据《系统集成项目管理工程师教程(第2版)》第86页,大数据处理主要包括数据采集、数据存储、数据管理、数据分析与挖掘四个环节,数据管理主要使用了分布式并行处理技术,比较常用的有MapReduce,编程人员借助MapReduce可以在不会分布式并行编程的情况下,讲自己的程序运行在分布式系统上。
第 24 题
某公司已自建企业云,近期遇到了网站服务器因带宽限制而突然崩溃的情况。为了避免以上问题,该公司从某云服务供应商处购买了云服务,经过重新部署可以解决其网站使用量突然猛增的情况。这种部署方式通常称为( )模式。
- (A) 私有云
- (B) 公有云
- (C) 混合云
- (D) 社区云
答案与解析
- 试题难度:一般
- 知识点:信息化与系统集成技术>云计算(IaaS、PaaS、SaaS)
- 试题答案:[['C']]
- 试题解析:
从应用范围来看,云计算可分为公有云、私有云和混合云。公有云通常指第三方提供商用户能够使用的云,公有云一般可通过Intemet 使用。私有云是为一个客户单独使用而构建的。混合云就是将公有、私有两种模式结合起来,根据需要提供统一服务的模式。该公司部署模式符合C的定义描述。
第 25 题
以下对物联网的描述不正确的是:( )。
- (A) 物联网即"物物相联之网"
- (B) 物联网是一种物理上独立存在的完整网络
- (C) 物联网的"网"应和通讯介质、通信拓扑结构无关
- (D) 物联网从架构上可以分为感知层、网络层和应用层
答案与解析
- 试题难度:一般
- 知识点:计算机网络基础>物联网
- 试题答案:[[B]]
- 试题解析:根据《系统集成项目管理工程师教程(第2版)》第163页,物联网不是一种物理上独立存在的完整网络,而是架构在现有互联网或下一代公网或专网基础上的联网应用和通信能力。
第 26 题
移动互联网是一种通过智能移动终端,采用移动无线通信方式获取业务和服务的新兴业务,其主流操作系统开发平台不包括( )。
- (A) Android
- (B) Unix
- (C) IOS
- (D) Windows Phone
答案与解析
- 试题难度:一般
- 知识点:计算机网络基础>移动互联网
- 试题答案:[[B]]
- 试题解析:移动互联网主要在手机PAD上使用,很明显这些设备主流平台只有Android,IOS和Windows Phone。
第 27 题
2015 年 5 月 19 日,国务院印发《中国制造 2025》,明确指出将以信息化与工业化深度融合为主线,重点发展十大领域,其中"新一代信息通信技术产业"主要聚焦在( )类别的产品上。 ①集成电路及专用装备 ②信息通信设备 ③先进轨道交通设备 ④操作系统及工业软件。
- (A) ①②③
- (B) ②③④
- (C) ①②④
- (D) ①③④
答案与解析
- 试题难度:一般
- 知识点:信息化与系统集成技术>国家信息化体系
- 试题答案:[['C']]
- 试题解析:这个题目考中国制造2025,
1 新一代信息技术产业。
集成电路及专用装备。着力提升集成电路设计水平,不断丰富知识产权(IP)和设计工具,突破关系国家信息与网络安全及电子整机产业发展的核心通用芯片,提升国产芯片的应用适配能力。掌握高密度封装及三维(3D)微组装技术,提升封装产业和测试的自主发展能力。形成关键制造装备供货能力。
信息通信设备。掌握新型计算、高速互联、先进存储、体系化安全保障等核心技术,全面突破第五代移动通信(5G)技术、核心路由交换技术、超高速大容量智能光传输技术、“未来网络”核心技术和体系架构,积极推动量子计算、神经网络等发展。研发高端服务器、大容量存储、新型路由交换、新型智能终端、新一代基站、网络安全等设备,推动核心信息通信设备体系化发展与规模化应用。
操作系统及工业软件。开发安全领域操作系统等工业基础软件。突破智能设计与仿真及其工具、制造物联与服务、工业大数据处理等高端工业软件核心技术,开发自主可控的高端工业平台软件和重点领域应用软件,建立完善工业软件集成标准与安全测评体系。推进自主工业软件体系化发展和产业化应用。
这里不包括的是先进轨道交通设备。
第 28 题
以下关于项目与项目管理的描述不正确的是:( )。
- (A) 项目临时性是指一个项目都有一个明确的开始时间和结束时间
- (B) 渐进明细是指项目的成果性目标是逐步完成的
- (C) 项目的目标不存在优先级,项目目标具有层次性
- (D) 项目整体管理属于项目管理核心知识域
答案与解析
- 试题难度:容易
- 知识点:项目管理基础知识>项目与项目管理的概念
- 试题答案:[['C']]
- 试题解析:本题考查项目与项目管理相关知识。项目的目标具有如下特性:
1.项目的目标有不同的优先级
2.项目目标具有层次性
故C错误
项目具有临时性、独特性和渐进明细的特点。其中,临时性是指每一 个项目都有一个明确的开始时间和结束时间。
独特性是指项目要提供某一独特产品, 提供独特的服务或成果,因此“没有完全一样的项目”, 项目可能有各种不同的客户、不同的用户、不同的需求、不同的产品、不同的时间、不同的成本和质量等等。
渐进明细指项目的成果性目标是逐步完成的。
A、B正确
项目管理的核心知识域包含整体管理、范围管理、进度管理、成本管理、质量管理和信息安全管理等。D正确
第 29 题
下图中的项目组织结构属于( )

- (A) 项目型组织
- (B) 职能型组织
- (C) 弱矩阵型组织
- (D) 强矩阵型组织
答案与解析
- 试题难度:容易
- 知识点:项目管理基础知识>项目组织方式
- 试题答案:[['A']]
- 试题解析:本题考查不同类型组织的区别。
1.职能型组织---传统的职能型组织,其结构如图所示,一个组织被分为一个一个的职能部门, 每个部门下还可进一步分为更小的像机械、电气这样的班组或部门,这种层级结构中每个职员都有一个明确的上级。

2、项目型组织,其结构如下图。在项目型组织中,一个组织被分为一个一个的项目经理部。一般项目团队成员直接隶属于某个项目而不是某个部门。

3、弱矩阵型组织保持着很多职能型组织的特征,弱矩阵型组织内项目经理对资源的影响力弱于部门经理,项目经理的角色与其说是管理者,更不如说是协调人和发布人。

4、强矩阵型组织保持着很多项目型组织的特征,具有拥有很大职权的专职项目经理和专职项目行政管理人员。


- (A) 瀑布模型
- (B) V模型
- (C) 螺旋模型
- (D) 原型化模型
答案与解析
- 试题难度:一般
- 知识点:信息系统开发基础>软件开发模型
- 试题答案:[['D']]
- 试题解析:需求不确定的时候应该首先考虑原型化模型。
1.瀑布模型, 瀑布模型是一个特别经典,甚至有点老套的周期模型,一般情况下将其分为计划、需求分析、概要设计、详细设计、编码以及单元测试、测试、运行维护等几个阶段。瀑布模型的周期是环环相扣的。每个周期中交互点都是一个里程碑,上一个周期的结束需要输出本次活动的工作结果,本次的活动的工作结果将会作为下一个周期的输入。这样,当某一个阶段出现了不可控的问题的时候,就会导致返工,返回到上一个阶段,甚至会延迟下一个阶段。需求明确,人力资源合理的情况首选瀑布模型。
2.V模型,是软件开发过程中的一个重要模型,由于其模型构图形似字母V,所以又称软件测试的V模型。V模型大体可以划分为以下几个不同的阶段步骤:需求分析、概要设计、详细设计、软件编码、单元测试、集成测试、系统测试、验收测试。V模式是一种传统软件开发模型,一般适用于一些传统信息系统应用的开发,要求需求明确。
3、螺旋模型是一个演化软件过程模型,将原型实现的迭代特征与线性顺序(瀑布)模 型中控制的和系统化的方面结合起来。使得软件的增量版本的快速开发成为可能。在螺 旋模型中,软件开发是一系列的增量发布。在早期的迭代中,发布的增量可能是一个紙纸上的模型或原型;在以后的迭代中,被开发系统的更加完善的版本逐步产生。开发过程具有周期性重复的螺旋线形状。4个象限分别标志每个周期所划分的4个阶段:制定计划、风险分析、实施工程和客户评估。螺旋模型强调了风险分析,特别适用于庞大而复杂的、高风险的系统。4、原型化模型的第一步是建造一个快速原型,实现客户或未来的用户与系统的交互, 经过和用户针对原型的讨论和交流,弄清需求以便真正把握用户需要的软件产品是什么样子的。充分了解后,再在原型基础上开发出用户满意的产品。在实际中原型化经常在 需求分析定义的过程进行。原型化模型减少了瀑布模型中因为软件需求不明确而给开发工作带来的风险,因为在原型基础上的沟通更为直观,也为需求分析和定义,提供了新 的方法。原型化模型的应用意义很广,瀑布和V模型将原型化模型的思想用于需求分析环节,来解决因为需求不明确而导致产品出现严重后果的缺陷。
根据题意“需求不明确”、“多期开发完成”,迭代模型。
第 31 题
以下关于项目管理过程组的描述不正确的是( )。
- (A) 所有项目都必须经历5个过程组
- (B) 每个单独的过程都明确了如何使用输入来产生项目过程组的输出
- (C) 制定项目管理计划所需要的过程都属于计划过程组
- (D) 控制变更,推荐纠正措施属于执行过程组
答案与解析
- 试题难度:一般
- 知识点:项目管理基础知识>项目管理过程
- 试题答案:[['D']]
- 试题解析:
本题考查项目管理过程组知识。
所有项目都必须经历5个过程组,每个单独的过程都明确了如何使用输入来产生项目过程组的输出。A、B正确
凡是制定项目管理计划所需要的过程都属于计划过程组。C正确
推荐纠正措属于监督和控制过程组。D错误
第 32 题
以下关于项目建议书的叙述中,不正确的是( )。
- (A) 项目建议书一般由项目承建单位编写,提交项目建设单位审批
- (B) 项目建议书是选择项目的依据,也是可行性研究的依据
- (C) 项目建议书包括项目建设的必要性、业务分析、总体建设方案、实施进度、效益与风险分析等内容
- (D) 某些情况下,项目建议书的编写、申报和审批工作可与项目可行性分析阶段的工作合并
答案与解析
- 试题难度:容易
- 知识点:项目立项管理>项目建议
- 试题答案:[[A]]
- 试题解析:根据《系统集成项目管理工程师教程(第2版)》第222页,项目建议书是项目建设单位向上级主管部门提交的项目申请文件,是对拟建项目提出的总体设想。所以本题A答案描述错误。
第 33 题
在项目可行性研究内容中,( )包括制定合理的项目实施进度计划、设计合理的组织结构、选择经验丰富的管理人员、建立良好的协作关系、制定合适的培训计划等内容。
- (A) 技术可行性
- (B) 财务可行性
- (C) 组织可行性
- (D) 流程可行性
答案与解析
- 试题难度:容易
- 知识点:项目立项管理>可行性研究
- 试题答案:[['C']]
- 试题解析:技术可行性主要从项目实施的技术角度,合理设计技术方案,进行比较、选择和评价。财务可行性主要从项目及投资者角度,设计合理财务方案,评价项目的盈利能力。组织可行性指的是制定合理的项目实施进度计划、设计合理的组织结构、选择经验丰富的管理人员、建立良好的写作关系、制订合适的培训计划等内容。项目可行性分析时,一般不涉及流程可行性分析。
第 34 题
以下关于项目可行性研究的叙述中,不正确的是( )。
- (A) 机会可行性研究的目的是激发投资者的兴趣,寻找投资机会
- (B) 在项目立项阶段,即使是小型项目,详细可行性研究也是必须的
- (C) 详细可行性研究是一项费时、费力且需一定资金支持的工作
- (D) 项目可行性研究报告一般委托具有相关专业资质的工程咨询机构编制
答案与解析
- 试题难度:容易
- 知识点:项目立项管理>可行性研究
- 试题答案:[['B']]
- 试题解析:本题考查对可行性研究的理解。对于不同规模和类别的项目,初步可行性研究可能出现4种结果,即:①肯定,对于比较小的项目甚至可以直接“上马”,也就是说这类项目不需要再进行详细可行性研究,所以B答案描述错误。
第 35 题
以下关于项目招投标的叙述中,正确的是( )。
- (A) 资格预审文件或招标文件的发售期不得少于15日
- (B) 投标保证金不得超过招标项目估算价的5%
- (C) 评标委员会的人员数量不得少于5人
- (D) 书面合同具备法律效力,中标通知书不具有法律效力
答案与解析
- 试题难度:一般
- 知识点:项目采购管理>询价/招投标
- 试题答案:[['C']]
- 试题解析:
资格预审文件或招标文件的发售期应不得少于5日。投标保证金不得超过招标项目估算价的2%。评标委员会由具有高级职称或同等专业水平的技术、经济等相关领域专家、招标人和招标机构代表等5人以上单数组成。中标通知书对招标人和中标人都具备法律效力。
第 36 题
当与客户签署合同之后,许多供应商会进行内部立项。内部立项的主要作用不包括( )。
- (A) 通过内部立项方式为项目分配资源
- (B) 通过内部立项方式确定合理的项目绩效目标
- (C) 通过内部立项方式提升项目实施效率
- (D) 通过内部立项方式降低成本
答案与解析
- 试题难度:容易
- 知识点:项目立项管理>建设方与承建方的立项管理
- 试题答案:[['D']]
- 试题解析:本题考查内部立项的主要作用。
内部立项有几方面的原因。 第一,通过项目立项方式为项目分配资源。 第二,通过项目立项方式确定合理的项目绩效目标。 第三,以项目型工作方式,提升项目实施效率。 所以D答案描述错误。
第 37 题
整合者是项目经理承担的重要角色之一,作为整合者,其主要工作不包括( )。
- (A) 通过与项目干系人主动、全面的沟通,来了解他们对项目的需求
- (B) 在相互竞争的众多干系人之间寻找平衡点
- (C) 通过认真、细致的协调,来达到各种需求间的整合与平衡
- (D) 将不同厂商的产品、技术进行整合
答案与解析
- 试题难度:容易
- 知识点:项目管理基础知识>项目经理
- 试题答案:[['D']]
- 试题解析:
本题考查项目经理作为整合者承担的工作内容。
整合者是项目经理承担的重要角色之一,他要通过沟通来协调,通过协调来整合。作为整合者,项目经理必须从宏观视角来审视项目。
作为整合者,项目经理必须:
(1)通过与项目干系人主动、全面的沟通,来了解他们对项目的需求。
(2)在相互竞争的众多干系人之间寻找平衡点。
(3)通过认真、细致的协调工作,来达到各种需求间的平衡,实现整合。
第 38 题
项目章程的主要内容包括( ) ①项目目的或批准项目的理由 ②项目的主要风险 ③项目的总体预算 ④项目总体里程碑进度计划 ⑤项目范围说明书 ⑥项目成本基准。
- (A) ①②③⑥
- (B) ①②③④
- (C) ①③④⑤
- (D) ①④⑤⑥
答案与解析
- 试题难度:一般
- 知识点:项目整体管理>制定项目章程
- 试题答案:[['B']]
- 试题解析:本题考查项目章程主要内容。项目章程主要内容包括:
概括性的项目描述和项目产品描述。
项目目的或批准项目的理由,即为什么要做这个项目
项目的总体要求,包括项目的总体范围和总体质量要求。
可测量的项目目标和相关成功标准。
项目的主要风险,如项目的主要风险类别。
总体里程碑进度计划。
总体预算。
项目的审批要求,即在项目的规划、执行、监控和收尾过程中,应该由谁来做出哪种批准。
委派的项目经理及其职责和职权。
发起人或其他批准项目章程人员的姓名和职权。
第 39 题
项目管理计划是说明项目将如何执行、监督和控制的文件。以下选项中,( )不属于项目管理计划的内容。
- (A) 干系人登记册
- (B) 为项目选择的生命周期模型
- (C) 如何监督和控制变更
- (D) 所使用的项目管理过程
答案与解析
- 试题难度:一般
- 知识点:项目整体管理>制定项目管理计划
- 试题答案:[['A']]
- 试题解析:本题考查项目管理计划内容。项目管理计划包括的内容:1) 所使用的项目管理过程2) 每个特定项目管理过程的实施程度3) 完成这些过程的工具和技术的描述4) 选择的项目的生命周期和相关的项目阶段5) 如何用选定的过程来管理具体的项目。包括过程之间的依赖于交互关系和基本的输入输出等6) 如何执行工作来完成项目目标7) 如何监督和控制变更8) 如何实施配置管理9) 如何维护项目绩效基线的完整性10) 与项目干系人进行沟通的要求和技术11) 为项目选择的生命周期模型。对于多阶段项目,要包括所定义阶段是如何划分的12) 为了解决某些遗留问题和未来的决策,对于其内容、严重程度和紧迫程度进行的关键管理评审A选项干系人登记册不在其内容中。
第 40 题
( )指的是为确保项目工作的未来绩效符合项目管理计划而进行的有目的的活动。
- (A) 纠正措施
- (B) 预防措施
- (C) 缺陷补救
- (D) 功能完善
答案与解析
- 试题难度:一般
- 知识点:项目整体管理>指导和管理项目执行
- 试题答案:[['B']]
- 试题解析:本题考查变更请求的类型。根据《系统集成项目管理工程师教程(第2版)》第255页
(1)纠正措施。为使项目工作绩效重新与项目管理计划一致而进行的有目的的活动。
(2)预防措施。为确保项目工作的未来绩效符合项目管理计划而进行的有目的的活动。(3)缺陷补救。为了修正不一致的产品或产品组件而进行的有目的的活动。
故本题答案选B
第 41 题
以下关于项目整体变更控制过程的叙述中,不正确的是( )。
- (A) 实施整体变更控制过程的目的是为了降低项目风险
- (B) 实施整体变更控制过程贯穿项目始终,并且应用于项目的各个阶段
- (C) 变更控制委员会对整体变更控制过程负最终责任
- (D) 会议是实施整体变更控制的工具与技术之一
答案与解析
- 试题难度:容易
- 知识点:项目整体管理>整体变更控制
- 试题答案:[['C']]
- 试题解析:本题考查整体变更控制相关内容。实施整体变更控制过程贯穿项目始终,并且应用于项目的各个阶段。项目经理对此负最终责任。不是CCB。
第 42 题
以下关于项目变更管理的叙述中不正确的是( )。
- (A) 项目的任何干系人都可以提出变更请求
- (B) 所有的变更请求都必须以书面形式记录
- (C) 所有的变更请求都必须交由变更控制委员会审批
- (D) 客户也可以作为变更控制委员会成员
答案与解析
- 试题难度:一般
- 知识点:项目整体管理>整体变更控制
- 试题答案:[['C']]
- 试题解析:本题考查对变更管理的理解。
项目任何干系人都可以提出变更请求。尽管可以口头提出,但所有的变更请求都必须以书面形式记录。每项记录在案的变更请求都必须由一位责任人批准或否决 ,这个责任人通常是项目发起人或项目经理。应该在项目管理计划或组织流程中指定这位责任人。必要时,应该由变更控制委员会( CCB )来决策是否实施整体变更控制过程。并非所有的变更请求都必须交由CCB审批,对于一些不涉及项目范围、成本、进度变化的变更请求,项目经理也可以做出批准。
第 43 题
以下关于工作分解结构(WBS)的叙述中,不正确的是( )。
- (A) WBS是制定进度计划、成本计划的基础
- (B) 项目的全部工作都必须包含在WBS中
- (C) WBS的编制需要主要项目干系人的参与
- (D) WBS应采用自下而上的方式,逐层确定
答案与解析
- 试题难度:一般
- 知识点:项目范围管理>创建工作分解结构
- 试题答案:[['D']]
- 试题解析:
本题考查创建WBS的工作内容。
把整个项目分解为工作包,通常需要开展以下活动:
1) 识别和分析可交付成果及相关工作。
2) 确定WBS的结构和编排方法。
3) 自上而下逐层细化分解。
4) 为WBS组件制定和分配标识编码。
5) 核实可交付成果分解的程度是否恰当。
第 44 题
在项目范围确认时,经常会使用群体决策技术。在以下群体决策技术中,( )是根据群体中超过 50%人员的意见作出决策。
- (A) 一致同意原则
- (B) 大多数原则
- (C) 相对多数原则
- (D) 独裁原则
答案与解析
- 试题难度:容易
- 知识点:项目范围管理>范围确认
- 试题答案:[['B']]
- 试题解析:
一致同意原则:指每个人都同意某个方案。大多数同意原则:获得群体中超过50%人员的支持,就能做出决策。相对多数原则:根据群体中相对多数者的意见做出决策,即便未能获得大多数人的支持。独裁:由某一个人为群体做出决策。
第 45 题
项目实施过程中,用户的需求可能会发生变化,例如提出新的需求。针对此状况,项目经理的正确做法是:( )。
- (A) 从客户满意度的角度考虑,应尽量满足用户的新需求
- (B) 如果需求超出预先约定的范围,应拒绝用户的新需求
- (C) 应根据经验判断用户的新需求是否会对项目的成本、质量、工期造成影响,如果影响可控,应满足用户的需求
- (D) 应启动变更控制管理流程,对用户的新需求进行评估
答案与解析
- 试题难度:容易
- 知识点:项目范围管理>范围控制
- 试题答案:[['D']]
- 试题解析:项目实施过程中的变更应该通过变更控制流程来进行管控。
第 46 题
( )不是规划项目进度管理的输入。
- (A) 项目范围说明书
- (B) WBS和WBS字典
- (C) 活动清单
- (D) 项目章程
答案与解析
- 试题难度:一般
- 知识点:项目时间管理>项目时间管理
- 试题答案:[['C']]
- 试题解析:本题考查规划项目进度管理的输入。规划进度管理主要输入包括,项目管理计划,项目章程,事业环境因素和组织过程资产,活动清单属于定义活动的输出,而在制定进度管理计划的时候还没开始定义活动。AB两项都包括在项目管理计划里面了。
第 47 题
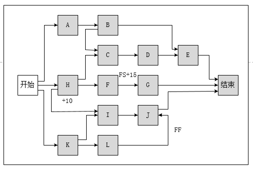
下图中(单位:天)关于活动H和活动I之间的关系描述正确的是( )

- (A) 活动H开始时,开始活动
- (B) 活动H完成10天后,开始活动
- (C) 活动H结束后,开始活动
- (D) 活动H开始10天后,开始活动
答案与解析
- 试题难度:一般
- 知识点:项目时间管理>活动排序
- 试题答案:[[D]]
- 试题解析:这个题目需要看图作答,图上明显H活动是在左侧出来的线,那就是开始开始关系,然后上面有个+10,这个意味着往后推10天,所以D答案很明显。
第 48 题
项目经理小李在制定进度计划时采用下图所示的工具,该工具是( )

- (A) 关键链法
- (B) 关键路径法
- (C) 进度网络分析
- (D) 建模技术
答案与解析
- 试题难度:容易
- 知识点:项目时间管理>关键链法
- 试题答案:[['A']]
- 试题解析:本题考查关键链法。关键链法的关键词就是缓冲,这个题目上面有接驳缓冲和项目缓冲,明显用的是关键链法。
第 49 题
在制定进度计划时,可以采用多种工具与技术,如关键路径法、资源平衡技术、资源平滑技术等。在以下叙述中,不正确的是( )。
- (A) 项目的关键路径可能有一条或多条
- (B) 随着项目的开展,关键路径可能也随着不断变化
- (C) 资源平衡技术往往会导致关键路径延长
- (D) 资源平滑技术往往改变项目关键路径,导致项目进度延迟
答案与解析
- 试题难度:一般
- 知识点:项目时间管理>制订进度计划
- 试题答案:[[D]]
- 试题解析:资源平滑是不考虑对关键路径上的活动进行变化的,所以资源平滑不会导致进度延迟。
第 50 题
不随生产量、工作量或时间的变化而变化的非重复成本属于( )。
- (A) 固定成本
- (B) 直接成本
- (C) 间接成本
- (D) 沉没成本
答案与解析
- 试题难度:容易
- 知识点:项目成本管理>项目成本管理
- 试题答案:[['A']]
- 试题解析:
固定成本是不随生产量、工作量或时间的变化而变化的非重复成本。直接成本是直接可以归属于项目工作的成本。间接成本来自一般管理费用科目或几个项目共同担负的项目成本所分摊给本项目的费用,如税金、保卫费用等。沉没成本是指由于过去的决策已经发生了的,而不能由现在或将来的任何决策改变的成本。
第 51 题
在进行项目成本估算时,可以使用多种技术和工具。其中,( )相对于其他估算技术来说,成本较低、耗时较少,但准确性也较低。
- (A) 专家判断
- (B) 类比估算
- (C) 参数估算
- (D) 三点估算
答案与解析
- 试题难度:容易
- 知识点:项目成本管理>成本估算
- 试题答案:[['B']]
- 试题解析:
本题考查项目成本估算工具。
专家判断指利用专家经验对项目提供有价值的简介。
类比估算是指以过去类似项目的参数值或规模指标为基础,来估算当前项目的同类参数或指标。相对于其他估算技术来说,成本较低、耗时较少,但准确性也较低。
参数估算指利用历史数据之间的统计关系和其他变量进行项目工作的成本估算。
三点估算是利用三种估算值来界定活动成本的近似区间,可以提高活动成本估算的准确性。
第 52 题
下表给出了某信息化建设项目到2017年9月1日为止的成本执行(绩效)数据。基于该数据,项目经理对完工估算(EAC)进行预测。假设当前的成本偏差被看做是可代表未来偏差的典型偏差时,EAC应为( )元。

- (A) 45000.00
- (B) 50000.00
- (C) 53200.00
- (D) 62500.00
答案与解析
- 试题难度:一般
- 知识点:项目成本管理>完工估算EAC
- 试题答案:[['D']]
- 试题解析:本题考查EAC的计算。题目已经告知是典型偏差,所以EAC=BAC/CPI,CPI=EV/ACCPI=EV/AC=12800/16000= 0.8 EAC =
BAC/CPI =50000/0.8= 62500
第 53 题
以下关于编制人力资源计划的工具和技术的叙述中,不正确的是( )。
- (A) 可使用多种形式描述项目前角色和职责
- (B) 每个工作包可分配多人负责,做好工作备份
- (C) 职责分配矩阵是反映团队成员与其承担工作之间联系的最直观的方法
- (D) 描述职责时,需要让每一位项目成员都非常清楚自己的角色和职责
答案与解析
- 试题难度:容易
- 知识点:项目人力资源管理>制订人力资源计划
- 试题答案:[[B]]
- 试题解析:工作包不应该分配多人负责,避免扯皮打架、互相推诿的事情发生。
第 54 题
可以通过多种方法实现对项目团队的管理,随着远程通讯方式的快速发展,虚拟团队成为了项目管理的方式。作为项目经理,想要管理好虚拟团队,采用( )方法更合适。
- (A) 问题清单
- (B) 冲突管理
- (C) 风险管理
- (D) 观察和交谈
答案与解析
- 试题难度:一般
- 知识点:项目人力资源管理>项目团队管理
- 试题答案:[[D]]
- 试题解析:
解析:根据《系统集成项目管理工程师教程(第2版)》第390页,
1. 观察和交谈
观察和交谈用于随时了解团队成员的工作情况和思路状态。项目管理团队监控项目进展,如完成了哪些可交付成果?让项目成员感到骄傲的成就有哪些?以及人际关系问题等。
如果是虚拟团队,这要求项目管理团队更加积极主动的、经常性的沟通,不管是面对面还是以其他合适的方式。
第 55 题
以下( )不是控制沟通的技术和方法。
- (A) 业务数据分析
- (B) 项目例会
- (C) 信息管理系统
- (D) 专家判断
答案与解析
- 试题难度:一般
- 知识点:项目沟通管理>项目沟通管理
- 试题答案:[['A']]
- 试题解析:本题考查控制沟通的工具和技术。控制沟通的工具技术包括:信息管理系统,专家判断和会议,不包括A。
第 56 题
在进行项目干系人分析时,经常用到权力/利益分析法,对待属于第A区域的项目干系人应该采取的策略是( )

- (A) 随时告知
- (B) 令其满意
- (C) 花较少的精力
- (D) 争取支持
答案与解析
- 试题难度:一般
- 知识点:项目干系人管理>管理干系人参与
- 试题答案:[['B']]
- 试题解析:解析:根据《系统集成项目管理工程师教程(第2版)》第426页,图12-5 干系人权力/利益方格示例。A象限的干系人权力大,利益关系不大,策略应该是B令其满意。
第 57 题
某系统集成商中标一个县政府办公系统的开发项目,该项目在招标时己经明确确定该项目的经费不超过150万元,此项目适合签订( )。
- (A) 工料合同
- (B) 成本补偿合同
- (C) 分包合同
- (D) 总价合同
答案与解析
- 试题难度:容易
- 知识点:项目采购管理>合同类型
- 试题答案:[[D]]
- 试题解析:这个题目的特点是总价定死了,而ABC三项都是开口合同,所以选D是最合适的。总价合同可以选固定总价合同,这样不会有价格最终超标的风险。
第 58 题
某系统集成商中标一个县政府办公系统的开发项目,在合同执行过程中,县政府提出在办公系统中增加人员考勤管理的模块,由于范围发生变化,合同管理人员需要协调并重新签订合同,该合同的管理内容属于( )。
- (A) 合同签订管理
- (B) 合同履行管理
- (C) 合同变更管理
- (D) 合同档案管理
答案与解析
- 试题难度:容易
- 知识点:项目采购管理>合同管理
- 试题答案:[[C]]
- 试题解析:在大量的工程实践中,由于合同双方现实环境和相关条件的变化,往往会出现合同变更,而这些变更必须根据合同的相关条款进行适当地处理。本题因范围发生变化导致合同需要重新签订,属于合同变更管理。
第 59 题
对于提供长期(一般为3年)涉外人力资源外包服务的软件企业,面对国际金融汇率波动较大和区域人力资源成本攀升速度较快的情况,应与客户签订( )类合同。
- (A) 固定总价合同
- (B) 成本补偿合同
- (C) 工料合同
- (D) 总价加经济价格调整合同
答案与解析
- 试题难度:一般
- 知识点:项目采购管理>合同类型
- 试题答案:[[D]]
- 试题解析:对于长期的,可能受金融汇率波动影响的项目,采用总价加经济价格调整合同是最合适的。
第 60 题
以下关于工作说明书(SOW)的叙述中,不正确的是( )。
- (A) SOW的内容主要包括服务范围、方法、假定、工作量、变更管理等
- (B) 内部的SOW有时可称为任务书
- (C) SOW的变更应由项目变更控制过程进行管理
- (D) SOW通过明确项目应该完成的工作来确定项目范围
答案与解析
- 试题难度:一般
- 知识点:项目整体管理>制定项目章程
- 试题答案:[['D']]
- 试题解析:本题考查项目工作说明书的内容。项目工作说明书SOW是对项目需交付的产品、服务或输出的叙述性说明。通常包括业务需要、产品范围描述和战略计划。明确项目应该完成的工作来确定项目范围应该是项目范围说明书的内容。
工作说明书与项目范围说明书的区别在于:工作说明书SOW是对项目所要提供的产品、成果或服务的描述;
项目范围说明书是通过明确项目应该完成的工作来确定项目范围。D项不正确
第 61 题
项目验收时发现项目经理签字确认的《需求规格说明书》纸质文档内容与配置服务器上的产品库同一文档内容不一致,最有可能是在( )的执行上出现了问题。
- (A) 文档管理规范
- (B) 文档目录编写标准
- (C) 文档书写规范
- (D) 图表编号规则
答案与解析
- 试题难度:一般
- 知识点:知识产权与标准化知识>软件文档管理指南
- 试题答案:[['A']]
- 试题解析:解析:本题考查信息系统文档的规范化管理。同一份文件纸档和电子档不同,可能是文档管理规范出了问题。
信息系统文档的规范化管理主要体现在文档书写规范、图表编号规则、文档目录编写标准和文档管理制度等几个方面。
1)文档书写规范
管理信息系统的文档资料涉及文本、图形和表格等多种类型,无论是哪种类型的文档都应该遵循统一的书写规范,包括符号的使用、图标的含义、程序中注释行的使用、注明文档书写人及书写日期等。例如,在程序的开始要用统一的格式包含程序名称、 程序功能、调用和被调用的程序、程序设计人等。
2)图表编号规则
在管理信息系统的开发过程中用到很多的图表,对这些图表进行有规则的编号,可以方便图表的查找。图表的编号一般采用分类结构。根据生命周期法的5个阶段,可以给出分类编号规则。根据该规则,就可以通过图表编号判断该图表处于系统开发周期的哪一个阶段,属于哪一个文档,文档中的哪一部分内容及第几张图表。3)文档目录编写标准
为了存档及未来使用的方便,应该编写文档目录。管理信息系统的文档目录中应包含文档编号、文档名称、格式或载体、份数、每份页数或件数、存储地点、存档时间、保管人等。文档编号一般为分类结构,可以采用同图表编号类似的编号规则。文档名称要完整规范。格式或载体指的是原始单据或报表、磁盘文件、磁盘文件打印件、大型图表、重要文件原件、光盘存档等。4)文档管理制度
为了更好地进行信息系统文档的管理,应该建立相应的文档管理制度。文档的管理制度需根据组织实体的具体情况而定,主要包括建立文档的相关规范、文档借阅记录的登记制度、文档使用权限控制规则等。建立文档的相关规范是指文档书写规范、图表编号规则和文档目录编写标准等。文档的借阅应该进行详细的记录,并且需要考虑借阅人是否有使用权限。在文档中存在商业秘密或技术秘密的情况下,还应注意保密。特别要注意的是,项目干系人签字确认后的文档要与相关联的电子文档一一对应, 这些电子文档还应设置为只读。
第 62 题
某软件开发项目的《概要设计说明书》版本号为V2.13,该配置项的状态是( )。
- (A) 首次发布
- (B) 正在修改
- (C) 正在发布
- (D) 草稿
答案与解析
- 试题难度:容易
- 知识点:项目配置管理>版本控制
- 试题答案:[['B']]
- 试题解析:X.YZ这种格式的版本号很明显是处于修改状态。
第 63 题
质量管理发展过程中,从( )开始,质量管理从"对已完成产品的事后检验" 提前到"对产品生产过程中的全过程监控"。
- (A) 手工艺人时代
- (B) 质量检验阶段
- (C) 统计质量控制阶段
- (D) 全面质量管理阶段
答案与解析
- 试题难度:一般
- 知识点:项目质量管理>项目质量管理
- 试题答案:[['C']]
- 试题解析:
本题考查质量管理及其发展史的了解。参考教程356-357,
1、质量管理的发展,大致经历了手工艺人时代、质量检验阶段、统计质量控制阶段、全面质量管理阶段4个阶段;
2、统计质量控制阶段:1925年,美国数理统计学家休哈特提出统计过程控制(SPC)理论,应用统计技术对生产过程进行监控,以减少对检验的依赖。
所以答案选择C
第 64 题
( )属于质量管理中规划质量过程的工具和技术。
- (A) 成本效益分析法
- (B) 质量审计
- (C) 控制图
- (D) 甘特图
答案与解析
- 试题难度:一般
- 知识点:项目质量管理>制订质量管理计划
- 试题答案:[['A']]
- 试题解析:本题考查规划质量管理的工具技术。10.2.2规划质量管理的工具技术包括:
参考《系统集成项目管理工程师教程(第2版)》357页,
1,成本效益分析法
2,质量成本法
3,标杆对照
4,试验设计
5,其他质量管理工具(头脑风暴、力场分析、名义小组技术等)
所以此题应该选A。
B答案属于实施质量保证的方法与工具,C属于质量控制的7种基本质量工具,D是时间管理的工具技术。
第 65 题
在进度管理中常用的活动网络图,如计划评审技术(PERT)、关键路径法等,也可以应用于质量管理的( )过程中。
- (A) 规划质量管理
- (B) 实施质量保证
- (C) 质量控制
- (D) 质量改进
答案与解析
- 试题难度:一般
- 知识点:项目质量管理>质量控制
- 试题答案:[['C']]
- 试题解析:
质量控制的新七工具包含亲和图、过程决策程序图、关联图、树形图、优先矩阵、活动网络图和矩阵图。活动网络图连同项目进度计划编制方法一起使用,如计划评审技术(PERT)、 关键路径法(CPM)和紧前关系绘图法(PDM)。
第 66 题
识别风险过程的主要输出就是风险登记册,风险登记册始于识别风险过程,在项目实施过程中供其他风险管理过程和项目管理过程使用,风险登记册中的( )内容是识别风险过程中产生的。
- (A) 风险紧迫性或风险分类
- (B) 已识别的风险清单
- (C) 商定的对应策略
- (D) 风险责任人及其职责
答案与解析
- 试题难度:容易
- 知识点:项目风险管理>风险识别
- 试题答案:[[B]]
- 试题解析:根据《系统集成项目管理工程师教程(第2版)》第557页, 最初的风险登记册包括如下信息。 (1)已识别的风险清单 (2)潜在应对措施清单
第 67 题
项目经理张工在项目风险管理过程中,使用如下公式进行风险评估: 风险值=风险发生的概率*风险发生后的结果 该项目风险管理处于( )阶段。
- (A) 识别风险
- (B) 实施定性风险分析
- (C) 实施定量风险分析
- (D) 规划风险应对
答案与解析
- 试题难度:一般
- 知识点:项目风险管理>风险定性分析
- 试题答案:[[B]]
- 试题解析:本题题干出现的公式出现在《系统集成项目管理工程师教程(第2版)》第560页,是实施定性风险分析的概率和影响矩阵中采用的技术,所以本题选B 实施定性风险分析。
第 68 题
风险相关的项目文件随着定量风险分析产生的信息而更新。( )不是在定量风险分析过程中产生的。
- (A) 风险评级和分值
- (B) 量化风险优先级清单
- (C) 项目的概率分析
- (D) 实现成本和时间目标的概率
答案与解析
- 试题难度:一般
- 知识点:项目风险管理>风险定量分析
- 试题答案:[[A]]
- 试题解析:A答案应该是实施定性风险分析的时候就确定了的,不是定量风险分析的输出。 根据《系统集成项目管理工程师教程(第2版)》第566页, 实施定量风险分析的输出包括: (1)项目的概率分析 (2)实现成本和时间目标的概率 (3)量化风险优先级清单 (4)定量风险分析结果的趋势
第 69 题
应用系统运行中涉及的安全和保密层次包括系统级安全、资源访问安全、功能性安全和数据域安全。针对应用系统安全管理,首先要考虑( )。
- (A) 系统级安全
- (B) 资源访问安全
- (C) 功能性安全
- (D) 数据域安全
答案与解析
- 试题难度:容易
- 知识点:信息系统安全管理>应用系统安全管理
- 试题答案:[['A']]
- 试题解析:根据《系统集成项目管理工程师教程(第2版)》第537页,
企业应用系统越来越复杂,因此制定得力的系统级安全策略才是从根本上解决问题的基础。
所以首要考虑的是系统级安全。
应用系统运行中涉及的安全和保密层次包括系统级安全、资源访问安全、功能性安 全和数据域安全。这4个层次的安全,按粒度从大到小的排序是:系统级安全、资源访 问安全、功能性安全、数据域安全。程序资源访问控制安全的粒度大小界于系统级安全 和功能性安全两者之间,是最常见的应用系统安全问题,几乎所有的应用系统都会涉及 这个安全问题。
1)系统级安全---企业应用系统越来越复杂,因此制定得力的系统级安全策略才是从根本上解决问题 的基础。应通过对现行系统安全技术的分析,制定系统级安全策略,策略包括敏感系统 的隔离、访问IP地址段的限制、登录时间段的限制、会话时间的限制、连接数的限制、 特定时间段内登录次数的限制以及远程访问控制等,系统级安全是应用系统的第一道防 护大门。
2)资源访问安全---对程序资源的访问进行安全控制,在客户端上,为用户提供与其权限相关的用户界 面,仅出现与其权限相符的菜单和操作按钮;在服务端则对URL程序资源和业务服务 类方法的调用进行访问控制。
3)功能性安全---功能性安全会对程序流程产生影响,如用户在操作业务记录时,是否需要审核,上 传附件不能超过指定大小等。这些安全限制已经不是入口级的限制,而是程序流程内的 限制,在一定程度上影响程序流程的运行。
4)数据域安全---数据域安全包括两个层次,其一,是行级数据域安全,即用户可以访问哪些业务记 录,一般以用户所在单位为条件进行过滤;其二,是字段级数据域安全,即用户可以访 问业务记录的哪些字段。不同的应用系统数据域安全的需求存在很大的差别,业务相关 性比较高。对于行级的数据域安全,大致可以分为以下几种情况:
(1)应用组织机构模型允许用户访问其所在单位及下级管辖单位的数据。
(2)通过数据域配置表配置用户有权访问的同级单位及其他行政分支下的单位的 数据。
(3)按用户进行数据安全控制,只允许用户访问自己录入或参与协办的业务数据。
(4)除进行按单位过滤之外,比较数据行安全级别和用户级别,只有用户的级别大 于等于行级安全级别,才能访问到该行数据。
第 70 题
以下关于政府采购的说法,不正确的是( )。
- (A) 为在中国境外使用而进行采购的,可以不采购本国货物、工程和服务
- (B) 两个以上的自然人、法人或者其他组织可以组成一个联合体,以一个供应商的身份共同参加政府采购
- (C) 招标后没有供应商投标或者没有合格标的或者重新招标未能成立的,可以采取单一来源采购方式采购
- (D) 公开招标应作为政府采购的主要采购方式
答案与解析
- 试题难度:一般
- 知识点:项目采购管理>招投标法、合同法与索赔管理
- 试题答案:[['C']]
- 试题解析:根据《中华人民共和国政府采购法》:
第三十一条 符合下列情形之一的货物或者服务,可以依照本法采用单一来源方式采购:
(一)只能从唯一供应商处采购的;
(二)发生了不可预见的紧急情况不能从其他供应商处采购的;
(三)必须保证原有采购项目一致性或者服务配套的要求,需要继续从原供应商处添购,且添购资金总额不超过原合同采购金额百分之十的。
明显C答案不在之列。
第 71 题
Retail firms analyze consumer sales trends and user preferences through internet user data. This belongs to( )application area.
- (A) big data
- (B) cloud computing
- (C) internet of things
- (D) artificial intelligence
答案与解析
- 试题难度:一般
- 知识点:信息化与系统集成技术>大数据
- 试题答案:[['A']]
- 试题解析:翻译如下。 零售公司通过互联网用户数据来分析客户的销售趋势和用户喜好,这个属于大数据应用领域。
第 72 题
In the following cloud computing technology architecture,( )represented by number 3

- (A) PaaS
- (B) SaaS
- (C) IaaS
- (D) cloud platform interface
答案与解析
- 试题难度:一般
- 知识点:信息化与系统集成技术>云计算(IaaS、PaaS、SaaS)
- 试题答案:[[B]]
- 试题解析:下面的第3个图中是云计算技术的什么平台?
这个图的CRM和OA都是属于SAAS,所以选B。最简单的理解就是OA只要通过浏览器就可以实现应用,不需要自己开发软件。
第 73 题
The seven basic quality tools are used within in the context of the PDCA Cycle to solve quality-related problems. These tools are used in( )in the following processes。
- (A) plan quality namagement
- (B) perform quality assurance
- (C) perform quality control
- (D) perform quality improvement
答案与解析
- 试题难度:一般
- 知识点:项目质量管理>质量控制
- 试题答案:[['C']]
- 试题解析:
解析:翻译如下
在PDCA循环中,使用七种基本的质量工具来解决质量问题。
这些工具用于下列哪个过程。
A、计划质量管理
B、执行质量保证
C、执行质量控制</p>
D、执行质量改进
老七工具包含因果图、流程图、核查表、帕累托图、直方图、控制图和散点图,
新七工具包含亲和图、过程决策程序图、关联图、树形图、优先矩阵、活动网络图 和矩阵图
本题指的老7中工具是质量控制的工具技术,所以这个题目选C最合适。
第 74 题
( )is the process of implementing risk response plans,tracking identified risks,monitoring residual risk,identifying new risk ,and evaluating risk process effectiveness throughout the project。
- (A) Identify risks
- (B) Control risks
- (C) Plan risk responses
- (D) Plan risk management
答案与解析
- 试题难度:较难
- 知识点:项目风险管理>风险监控
- 试题答案:[[B]]
- 试题解析:翻译如下 控制风险是执行风险响应计划,追踪已识别的风险,监控剩余风险,识别新风险和评价风险应对效果的一个过程。
第 75 题
( )is the approved version of the time-phased project budget excluding any management reserves which can only be changed through formal change control precedures and is used as a basis for comparison to actual results。
- (A) The control accounts
- (B) Funding requirement
- (C) The cost estimates
- (D) The cost baseline
答案与解析
- 试题难度:一般
- 知识点:项目成本管理>成本估算
- 试题答案:[['D']]
- 试题解析:本题考查成本基准的概念。( )是经过核准并按照项目时间阶段分配的预算,剔除了管理储备部分。它的修改必须通过变更控制程序,它可以作为基准用来和实际的成本进行比较。
A、控制账户
B、资金需求
C、成本估算
D、成本基线成本基准是经批准的按时间安排的成本支出计划,并随时反映了经批准的项目成本变更(所增加或减少的资金数目),被用于度量和监督项目的实际执行成本。